世环通首页
我的世环通
Hi,欢迎来到世环通
全部
产品
企业
热搜:
新风
净水
净水器
发展
北京
脱硫脱硝
上海
膜
泵
上
全部行业分类
首页
产品库
企业名录
专家干货
大讲堂
行业资讯
环保技术
采购快报
线下活动
展会
建筑技术
企业游学
完善资料
*
企业名称
*
联系人
*
职位
微信登录
手机登录
账号登录
会员注册
|
忘记密码
忘记密码
我已阅读并接受
《用户协议》
&
《隐私协议》
首页
>
资讯
>
建筑管道
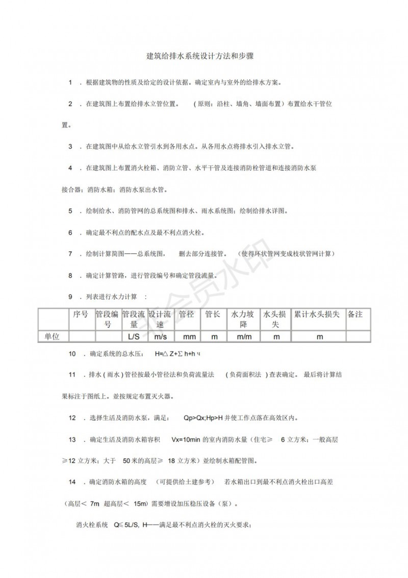
建筑给排水设计的一般步骤
日期:2021-04-27 浏览:
1
建筑给排水设计的一般步骤
注:此网站新闻内容及使用图片均来自网络,仅供读者参考,版权归作者所有,如有侵权或冒犯,请联系删除,联系电话:021 3323 1300
上一篇:
长江经济带固废治理需要综合解决方案
下一篇:
给排水管道焊接
更多
>
同类资讯
• 一体化污水处理设备在环保行业的应用前景
• 21312321
• 21312321
• 第三方第三方所发生的发撒
• 4.7测试会议
• 234234234
• 11.13测试标题
• 123123132
• 荣水分享||选购不锈钢水管如何分辨好坏?
• 不锈钢水管在这种环境/条件下如何选择材料?
热门排行
1
21312321
2
一体化污水处理设备在环保行业的应用前景
3
不会冻裂的水管
4
分类分区消防供水
5
政策鼓励不锈钢水管应用普及加快
6
(给排水)住宅厨房排水措施
7
不锈钢水管冬季防护指南
8
不锈钢水管施工后出现漏水现象
9
给排水设计基本图例
相关产品推荐
预约
收藏
扫一扫打开小程序
021-33236271/6236