
干管布置:
1、地形坡度变化较大的时候,雨水干管宜布置在地形较低处或溪谷线上;
2、当地形平坦时,雨水干管宜布置在排水流域的中间,以便支管接入,尽可能扩大重力流排除雨水的范围。
出口布置:
1、当管道排入池塘或小河时,宜采用分散式出水口的管道布置形式,且就近排放,管线较短,管径也较小;
2、当河流的水位变化很大,雨水管道出口标高与常水位相差较大时,出水口的构造比较复杂,造价较高,这就不宜采用过多的出水口,(树上鸟教育给排水设计杨老师)而宜采用集中式出水口;
3、当地形平坦,且地面平均标高低于河流常年水位时,需将雨水管道出口适当集中,在出水口前设雨水泵站,宜在泵站前设调节池,节省泵站的造价和运行费用。

当河流水位低于地面时

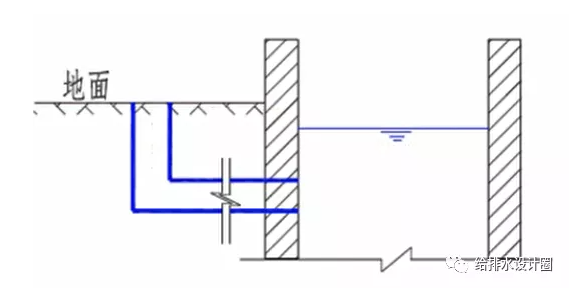
当河流水位高于地面时
道路交叉口雨水口设置原则:只出不进。

道路交叉口雨水口设置原则
有雨水流向道路交叉口的时候,必须在进入交叉口之前设置雨水口进行截留; 而雨水从道路交叉口流出的时候,则不需要设置。








官方公众号
官方小程序