第一讲:卫生间给水系统管道识图
给水系统识图以CAD设计图纸为实例,以BIM(Revit)建三维立体模型图的方式,为您讲解建筑给排水系统识图及工程量计算,具体教程内容如下:
本讲次以公用卫生间CAD图1-1到1-13为实例,通过本讲次教程,你i学会了如下知识内容,并具备了相应识图与算量的能力:
给水管道识图及工程量计算(这些内容包含了:进户管也叫引入管,主立管、卫生间支管及支立管);给水管道清单列项和清单描述;给水管道清单计价。第一步:「给水进户管识图」
要想认识室内给水管道,需先从水流入建筑物的方向为起始点,也就是我们在水电识图时所见到的,进户干管→主立管→支管。

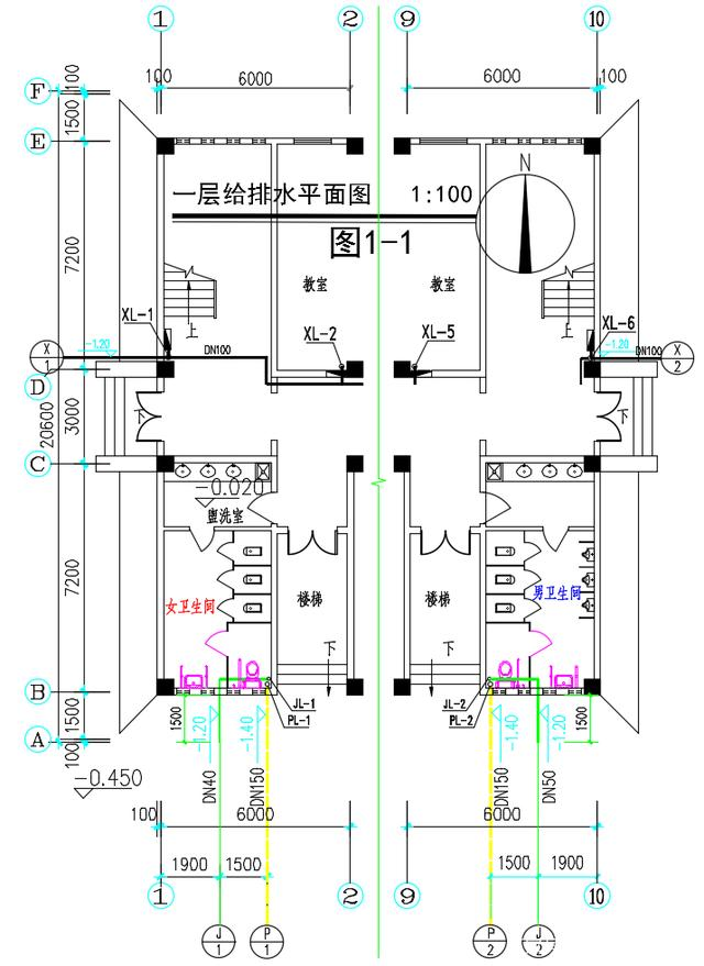
图1-1: 一层给排水平面图 1:100
先从一层给排水平面图1-1入手,可以看到一个女卫生间,在①轴与②轴之间,一个男卫生间,在⑨轴与⑩轴之间。
女卫生间的进户管J/1公称直径为DN40;男卫生间的进户管J/2公称直径为DN50。
给水管J/1距离①轴线为1.9米,给水管J/2距离⑩轴线为1.9米,埋土深度均为-1.2米(以±0.0为基准线,余同)。
依据定额说明给排水管道的界限划分:室内外给水管道以建筑物外墙皮1.5m为界,建筑物入口处设阀门者以阀门为界。(见图中尺寸标注)
第二步:「给水立管识图」
本给排水平面中有2根给水立管见图1-2,其中的一根立管,是1~4层的JL-1布置在女卫生间的供水管,起点标高为-1.2米,终点标高是在4层楼面以上3.6米处,即11.7+3.6的位置,详见图1-2女卫生间给水管道系统图所示。
另外的一根立管,是1~4层的JL-2布置在男卫生间的供水,起点标高为-1.2米,终点标高也是在4层楼面以上3.6米处,即11.7+3.6的位置(详见图1-2男卫生间给水管道系统图所示)。(注:JL-1与JL-2立管起始点和终点标高相同)

图1-2: 给水管道系统图
第三步:「给水支管识图」
本卫生间共有A、B、C、D四个给排水大样图。
A女卫生间给水大样
从给排水平面图中可以知道,A是女卫生间布置在2、3、4层,共有3个女卫。
从图1-3中可以知道,JL-1供水立管到A女卫生间后,给水支管分成了两路:一路是接蹲便器冲洗阀的,标高为本层以上0.75米,给水管公称直径为DN25。
(特别提醒:给水管轴测图中管道标高指的管中心距本楼层地面的高度,余同)
另一路是去洗脸盆和拖布池供水,标高为本层以上3.6米,然后下返到标高0.4米处,连接洗脸盆角阀用,最后上返到1米处,去连接拖布池水龙头用,给水管公称直径为DN20。

图1-3: 2.3.4层女卫生间给水详图
B女卫生间给水大样
从给排水平面图中可以知道,B是女卫生间布置在1层,共有1个女卫。从图1-4中可以知道,JL-1供水立管到B女卫生间后,给水支管分成了两路:一路是接蹲便器冲洗阀的,标高为本层以上0.75米,给水管公称直径为DN25。
另一路是去坐便器、洗脸盆和拖布池供水,首先是去接坐便器角阀用,标高为本层以上0.25米,给水管公称直径为DN25,然后上返到标高0.4米处,连接洗脸盆角阀用,给水管公称直径为DN25,然后上返到3.6米标高处,再下返到标高0.4米处,接洗脸盆角阀用,最后上返到1米处标高,去连接拖布池水龙头用,给水管公称直径为DN20。

图1-4: 1层女卫生间给水详图
C男卫生间给水大样
从给排水平面图中可以知道,C是男卫生间布置在2、3、4层,共有3个男卫。
从图1-5中可以知道,JL-2供水立管到C男卫生间后,给水支管分成了两路:一路是接蹲便器冲洗阀的,标高为本层以上0.75米,给水管公称直径为DN25。
另一路是去小便器、洗脸盆和拖布池供水,标高为本层以上3.6米,然后下返到1.2米处,去接小便器冲洗阀用,标高再下返到0.4米处,去接洗脸盆角阀用,最后上返到1米处标高,去连接拖布池水龙头用,给水管公称直径为DN20。

图1-5: 2.3.4层男卫生间给水详图
D男卫生间给水大样
从给排水平面图中可以知道,D是男卫生间布置在1层,共有1个男卫。
从图1-6中可以知道,JL-2供水立管到D男卫生间后,给水支管分成了两路:一路是接蹲便器冲洗阀的,标高为本层以上0.75米,给水管公称直径为DN25。
另一路是去坐便器、洗脸盆和拖布池供水,首先是去接坐便器角阀用,标高为本层以上0.25米,给水管公称直径为DN25,然后上返到标高0.4米处,连接洗脸盆角阀用,给水管公称直径为DN25,然后上返到1.2米标高处,再下返到标高0.4米处,接洗脸盆角阀用,最后上返到1米处标高,去连接拖布池水龙头用,给水管公称直径为DN20。

图1-6: 1层男卫生间给水详图
注:设计图纸上管径通常用公称直径DNxx标注,如果给排水管的材质为塑料管材时,请参照下表:
表1 PVC-U、PP-R给水塑料管外径与公称直径对照关系

表2 塑料管外径与公称直径参照表 mm


J/1女卫生间给水管道识图与算量系统图

J/2男卫生间给水管道识图与算量系统图
下期将以视频Revit(BIM)模型和CAD的方式,为你讲解「给水系统管道清单列项和工程量计算」。








官方公众号
官方小程序